Encoder Technical Information
Introducing the technical features of MR Magneto-Resistive technology, as well as absolute, optical, and magnetic encoders.
MR ENCOER
技术特点/Features and Benefits

基于先进的MR各向异性阻技术
Based on advanced MR technology,with 0-360° Full Range Angle Sensing
支持A、 B、 Z(索引)三通道增量输出,1-1024脉冲/圈,任意整数分辨率可编程Incremental A、 B、 Z (index) 3 Channels Resolution 1-1024PPR
支持增量差分/With Line Driver
电机最高转速20000RPM/Maximum Motor Speed:20000rpm
支持客户定制服务,适用12mm以上电机/Support parameter customization
Technical Data/电气性能参数
Supply voltage Vcc/供电电压 3.3-5.0V
Output current per channel/每个通道电流 ±20mA
Power-up time/系统上电准备时间 16ms
Resolution(ABZ Mode)/最小分辨率模式360°/N(N Steps per Cycle)
output rise time上升沿时间40ns/推挽输出, Cload=20pf,push-pull
output fall time 下降沿时间40ns/推挽输出, Cload=20pf,push-pull
GPIO out High Leve|/输出逻辑高电平VDD-0.25V,Push-pull(lout=2mA)
GPIO out low Leve|/输出逻辑低电平0.25V max ,Push-pull(lout=2mA)

A、B、Z输出(上电AB 不输出当前绝对位置脉冲序列) /ABZ outputwith VDD power on
绝对值编码器/AbsoluteEoncoder
技术特点/Features and Benefits

基于先进的MR各向异性阻技术
Based on advanced MR technology,with 0-360° Full Range Angle Sensing
支持A、 B、 Z(索引)三通道增量输出,1-1024脉冲/圈,任意整数分辨率可编程Incremental A、 B、 Z (index) 3 Channels Resolution 1-1024PPR
支持增量差分/With Line Driver
电机最高转速20000RPM/Maximum Motor Speed:20000rpm
支持客户定制服务,适用12mm以上电机/Support parameter customization
SPI Technical Data/电气性能参数
Supply voltage Vee/供电电压 3.3-5.0V
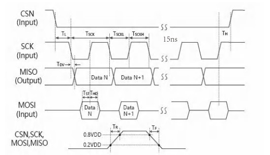
SPI接口模式:Mode 3 (CPOL=1, CPHA=1)
SPI Interface Mode: Mode 3 (CPOL=1, CPHA=1)
CSN下降沿到第一个时钟SCK下降沿的延时
Time between CSN falling edge and SCK falling edge 100ns
clock period/时钟周期 TSCK最小值min 64ns
时钟低电平时间lowperiod of clock/时钟高电平时间Highperiod of clock 最小值min 30ns
SCK时钟最后一个上升沿到CSN上升沿的延时
Time between SCK Last rising edge and CSN rising edge 0.5xTSCK ns
数字信号的上升沿(带20pf)Rise time of digital signal(with 20pf loading condition) 10ns
数字信号的下降沿(带20pf) /Fall time of digital signal(with 20pf loading condition) 10ns
MISO数据等待时间/Data valid time of MISC (with 20pf loading condition) 15ns
MISO数据建立时间/Setup time of MISC data 10ns
MISO数据保持时间/Hold time of MISC data 10ns
OPTICAL ENCODER
- 高宽分辩率,标准为lOOCPR脉冲输出,也可特殊定制96CPR~ 1024CPR脉冲分辩率
Wide resolution range,standard lOOCPR output.Also ok to customized from 96CPR to 1024CPR - 单5v供电,不需要信号调校,双通道数字正交输出
Single 5V supply ,No signal adjustment requeired,Two channels quadrature output - TTL(晶体管-晶体管)兼容输出TTL compatible
- 高性能传感器,最高响应频率100KHz Count Frequency:100KHz max
- 工作温度: -40~+85°C Operation temperature: -40~ +85°C

电气性能Electrical Characteristics
| 特性Characteristics | 规格Specification | 编码器接线说明EURARI Encoder connections | |
| 输入电压Input voltage Vee | DC 5V±10% | 黑色引线Black wire | 电机负极motor- |
| 相位差Phase shift | 90°e | 红色引线Red wire | 电机正极motor+ |
| 信号上升时间Signal rise time | 200ns CL=25PF,RL=11kΩ | 棕色引线Brown wire | 传感器正极Sensor Vcc |
| 信号下降时间Signal fall time | 50ns CL=25PF,RL=11kΩ | 绿色引线Green wire | 传感器负极Sensor GND |
| 读取频率Count frequeney | 20-80KHz | 蓝色引线Blue wire | 信号A Sensor A Vout |
| 负载端电容Load eapaeitanee | 100pf | 紫色引线Purple wire | 信号B Sensor B Vout |
| 通道输出电流Output eurrentper channel | 5mA max | ||
连接示意图(Connectiondiagram)
- 棕色线(brown wire)
- 绿色线(green wire)
- 蓝色线(blue wire)
- 紫色线(purple wire)
输出波形(Outputwave)

MAGNETIC ENCODER
- 支持双通道/单通道霍尔编码器Twochannels/Single channel Hall Encoder
- 尺寸规格可以定制,且各系列均有不同脉冲数供客户选择Sizeand resolution can be customized
- 消耗电流型数字输出Consumptioncurrent digital output
- 高速反映频率从0KHz-100 KHz High reflection frequency from 0KHz to 100 KHz
- 适用温度范围:-40°C~+125 °C Temperature ranqe:-40 °C~+125 °C

尺寸规格 Dimemsions
| 电机型号Motor Modle | 编码器ΦA Encoder ΦA |
编码器H Encoder H |
输出脉冲数 Output Pusle |
引线规格 Wire Type Length |
连接头型号 Connector Type |
接线方式 Connections |
| SG12、WG1220 | Φ12mm | 6.5mm | 3ppr | UL1061 AWG26 100mm |
JST ZHR-6 P=1.5-6P |
1、黑色引线:电机负Blackwire: motor- 2、红色引线电机正极Redwire motor+ 3、棕色引线:霍尔信号正极Brown wire: Hall Sensor Vee 4、绿色引线霍尔信号负极Green wire: Hall Sensor GND 5、蓝色引线:霍尔信号输出通道A Blue wire: Hall Sensor A Vout 6、紫色引线,霍尔信号输出通道B Purple wire: Hall Sensor B Vout |
| SG13、SG14、SG16、PG16 | Φ15.5mm | 9.0mm | 3ppr | |||
| SG20 | Φ20.3mm | 9.0mm | 3ppr、12ppr | UL1007 AWG24 100mm |
JST PHR-6 P=2.0-6P |
|
| SG25、WG3246 | Φ23mm | 9.0mm | 12ppr | |||
| PG28 | Φ28mm | 9.0mm | 12ppr | |||
| PG36、SG37、PG42 | Φ36mm | 12.0mm | 12ppr | UL1007 AWG24 100mm |
JST XHP-6 P=2.5-6P |
电气性能Electrical Characteristics
| 特性Ch aracteristics | 符号SYMBOL | 测试条件Test conditions | MIN | REF | MAX | 单位UNITS |
| 输入电压Input voltage | Vcc | 3.5 | -- | 24 | V | |
| 输出饱和电压Output saturation voltage | Vce(sat) | Vcc=14V; lc=20mA | -- | 300 | 700 | mV |
| 输出漏电电流Output leakage eurrent | Icex | Vce=l4V; Vcc=l4V | -- | <0.1 | 10 | uA |
| 输入电流Input eurrent | Ice | Vcc=20V; Output open | -- | 5 | 10 | mA |
| 输出上升时间Output rise time | tr | Vcc=14V; RL=8200; CL=20pF | -- | 0.3 | 1.5 | uS |
| 输出下降时间Output fall time | tr | Vcc=14V; RL=8200; CL=20pF | -- | 0.3 | 1.5 | uS |

