Electromagnetic Noise Countermeasures
Technical Information for Motor-Gearbox Combinations, ⑦, Electromagnetic Noise Countermeasures
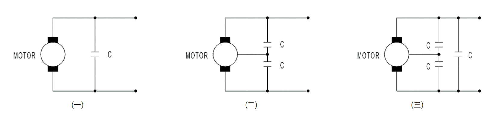
When a DC brush motor rotates, spark current occurs due to switching of the commutator. This spark may become electric noise and effect the control circuit. Such noise can be reduced by connecting a capacitor to the DC motor.
- In order to reduce electrical noise, capacitor and choke can be installed at the terminal parts of the motor. The way to effectively eliminate the spark is to install it on the rotor that near the source, which is very costly。
- Eliminating electrical noise inside the motor by installing Varistor (D/V), annular capacitor, rubber ring resistance (RRR) and chip capacitor that reduces the noise under high frequency
- Eliminating electrical noise outside the motor by installing components like capacitor (electrolytic type, ceramic type) and choke that reduces noise under low frequency
- Method 1 and 2 could be used separately. The combination of these two methods will be the best noise reduction solution.
Illustration:


remark:C=Capacitance;L=Inductance.