Motor Control
Technical Information for Motor-Gearbox Combinations, ⑧, Motor Control
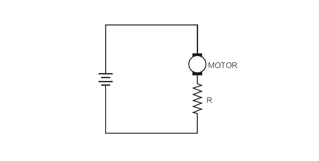
1、Control by resistance
A resistor is placed between the power supply and the DC motor for restricting current by an increase in resistance to control the motor's speed in series.

2、Motor braking (Short-cirbrakecuit method)
A method to force the terminals of the DC motor brake by short circuit. This method can shorten the motor's brake time and provides powerful braking control. (Maximum braking when R = 0)

3、Bidirectional driving of DC motors by transistors
Bidirectional motor driving is achieved by switching the H-type bridge circuit by use of NPN and PNP transistors

4、PWM control(pulse width modulation method)
The basic principle of control is to vary the average energy to control the speed by varying the pulse duty cycle to adjust the average voltage applied to the motor, thus controlling its speed. The choice of PWM frequency is also critical. A frequency above 20 kHz is recommended to avoid audible noise and to reduce current ripple, which causes additional motor heating.


